- Rietschle 登福旋片式低噪音真空泵VC303
详细信息
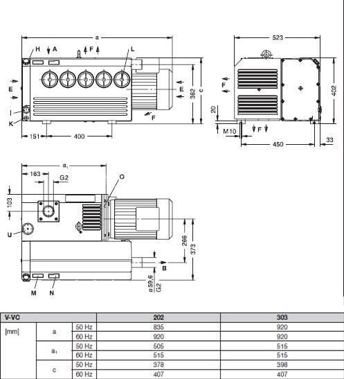
品牌:Rietschle 材质:铸钢 驱动方式:电动 功率:7.3KW 极限压力:0.1 pa 外形尺寸:7780 mm 型号:VC303 Rietschle 登福旋片式低噪音真空泵VC303
Rietschle 里其乐真空泵:: Rietschle 公司是欧洲年产量大的真空泵制造商之一,主导产品为真空、压力设备。其出色的制造工艺、优良的产品质量深得各行各业的好评。Rietschle 产品有:各类真空泵、压力泵、真空压力复合泵、鼓风机、化工专用防腐真空泵、中央集中供气/真空系统等。里其乐油润滑旋片式V-VC50-1300 油润滑旋片式真空泵,流量从50-1300m3/hr ,极限真空0.1mbar(abs), 法兰式电机,转子两面三刀侧装有轴承,装有油/气热交换器,真空逆止阀,气镇阀,保护罩和油分离器.法兰式电机符合DIN EN60034,保护标准IP 54,绝缘等级F. 主要型号: VC50. VC75.VC100. VC150. VC200. VC300. VC400.VC500. VC700. VC900. VC1100. VC1300
品牌里其乐 型号 VC303 排气量 300m3/h 极限真空 0.1mbar 电机功率 5.5kw 噪音值 72dB 重量 204kg
上海敦辰机械为广大真空泵用户例举以下15项:
1.检查真空泵管路及结合处有无松动现象。用手转动真空泵,试看真空泵是否灵活。
2.向轴承体内加入轴承润滑机油,观察油位应在油标的中线处,润滑油应及时更换或补充。
3.拧下真空泵泵体的引水螺塞,灌注引水或引浆。
4.关好出水管路的闸阀和出口压力表及进口真空表。
5.点动电机,试看电机转向是否正确。
6.开动电机,当真空泵正常运转后,打开出口压力表和进口真空泵,视其显示出适当压力后,逐渐打开闸阀,同时检查电机负荷情况。
7.尽量控制真空泵的流量和扬程在标牌上注明的范围内,以保证真空泵在高效率点运转,才能获得大的节能效果。
8.真空泵在运行过程中,轴承温度不能超过环境温度35℃,高温不得超过80℃ 。
9.如发现真空泵有异常声音应立即停车检查原因。
10.真空泵要停止使用时,先关闭闸阀、压力表,然后停止电机。
11.真空泵在工作一个月内,经100小时更换润滑油,以后每个500小时,换油一次。
12.经常调整填料压盖,保证填料室内的滴漏情况正常以成滴漏出为宜.。
13.定期检查轴套的磨损情况,磨损较大后应及时更换。
14.真空泵在寒冬季节使用时,停车后,需将泵体下部放水螺塞拧开将介质放净。防止冻裂。
15.真空泵长期停用,需将泵全部拆开,擦干水分,将转动部位及结合处涂以油脂装好,妥善保管。
Rietschle 登福旋片式低噪音真空泵VC303
-
扫一扫,手机浏览











